Pompa HCP 50SA2.4A 230V 0,4kW
Cena regularna:
5 225,04 zł
Cena regularna:
4 248,00 zł
towar niedostępny
dodaj do przechowalni
Opis
Pompa zatapialna HCP 50SA2.4A 230V 0,4kW
Seria zatapialnych pomp HCP SA ze stali nierdzewnej SUS316 przeznaczona do pompowania wody brudnej, lekkich ścieków, solanki i wody morskiej. Dzięki odpornej konstrukcji i sprawdzonym rozwiązaniom uszczelnień model HCP 50SA2.4A zapewnia niezawodną pracę w wymagających warunkach.
Model 50SA2.4A jest przeznaczony do cieczy z niewielką ilością zanieczyszczeń o rozmiarze do 10 mm. Nie jest zalecany do ścieków zawierających duże elementy włókniste.
W ofercie posiadamy również pompę zatapialną HCP 50SA2.4A F z wyłącznikiem pływakowym oraz pompy HCP 50SA2.8 z silnikiem o mocy 0,75 kW – sprawdź powiązane produkty.
Parametry techniczne pompy HCP 50SA2.4A
- Model: 50SA2.4A, seria SA
- Wydajność Q max.: 280 l/min
- Wysokość podnoszenia H max.: 10 m
- Zasilanie: 230V, 50Hz
- Moc silnika: 0,4 kW
- Klasa izolacji: B
- Stopień ochrony: IP 68
- Temperatura medium: +40°C
- Średnica króćca tłocznego: 2” / 50 mm
- Głębokość zanurzenia max.: 10 m
- Rozmiar zanieczyszczeń max.: 10 mm
- Przewód H07RN-F 10 m
- Model bez wyłącznika pływakowego
Przykładowe zastosowanie pomp HCP 50SA2.4A
- Oczyszczanie ścieków w przemyśle wydobywczym, naftowym, elektronicznym i farbiarskim
- Pompowanie i odwadnianie ścieków zawierających substancje żrące
- Instalacje, w których występują ciecze o podwyższonej agresywności chemicznej
Najważniejsze cechy pomp HCP 50SA2.4A
- Wirnik Vortex
- Wykonanie ze stali SCS14 i SUS316 – wysoka odporność
- Precyzyjne odlewanie stali – gładkie wykończenie
- Podwójne uszczelnienie mechaniczne
- Uszczelnienie Viton® – odporne na media agresywne
- Stopień ochrony IP68 – praca w pełnym zanurzeniu
- Wodoodporne wprowadzenia kabla
Wykres wydajności pompy HCP 50SA2.4A

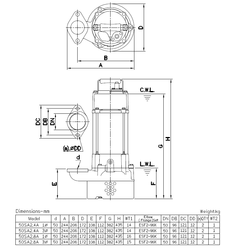
Wymiary pomp HCP 50SA2.4A

Pliki do pobrania:
Dane techniczne
| Zasilanie | 230V |
| Moc silnika | 0,4 kW |
| Wydajność w zakresie | 201-400 l/min |
| Wysokość podnoszenia w zakresie | 0-10 m |
| Rozmiar zanieczyszczeń w zakresie | 0-10 mm |
