Pompa chłodziwa ZV 100
Cena regularna:
1 922,29 zł
Cena (EUR): 350,30 €
Cena regularna:
1 562,84 zł
Cena (EUR): 284,80 €
towar niedostępny
dodaj do przechowalni
Opis
Pompa do chłodziwa Osip ZV 100
Seria pomp Osip ZV to elektryczne pompy do chłodziwa, przeznaczone do instalacji we frezarkach, szlifierkach czy tokarkach oraz układach cyrkulacji płynów chłodzących przy produkcji szkła lub wyrobów plastikowych. Pompy do chłodziwa ZV przeznaczone są do transportowania płynów chłodzących i emulsji smarujących zawierających dodatki, które zwykle są niszczące dla standardowych części pomp.
Lekka pompa ZV 100 wykonana z EKO technopolimeru PBT, który wyróżnia się wysoką wytrzymałością na pracę ciągłą, odpornością na ścieranie i korozję naprężeniową ESC. Idealnie sprawdzi się w małej obrabiarce, gdzie jest ograniczona ilość miejsca na korpus silnika. Pompy są przystosowane do pracy ciągłej. Produkt bezawaryjny.
W ofercie sklepu pompa ZV 100 OSIP dostępna w różnych długościach na wybór – 90 mm, 120 mm, 170 mm, 220 mm, 270 mm, 350 mm.
Pompa ZV 100 dostępna jest w dwóch wersjach zasilania – na 230V i 400V. Na stanach magazynowych posiadamy pompę chłodziwa ZV 100 400V – realizacja zamówienia 1-2 dni. Pompa z zasilaniem jednofazowym na 230V dostępna na specjalne zamówienie klienta. Gdy jest potrzebna do użycia pompa o mniejszych parametrach polecamy pompę chłodziwa Osip ZV 90.
Specyfikacja techniczna Osip ZV 100
- Wydajność do 60 L/min
- Podnoszenie do 7 m
- Zasilanie 400V (230V na zamówienie specjalne)
- Długość zabudowy dł. „C” w załączonej karcie katalogowej – 90 mm – 120 mm – 170 mm – 220 mm – 270 mm – 350 mm (do wyboru pod istniejącą instalację)
- Króciec tłoczny DNM 3/4”
- Średnica kołnierza 130 mm
- Maksymalna temp. chłodziwa +60°C
Wykonanie Osip ZV 100
- Wirnik pompy – Ryton
- Korpus pompy – PBT
- Wał silnika – stal AISI 420
- Obudowa silnika – Nylon – Mec 63
- Silnik – Zamknięty
- Śruby – stal nierdzewna
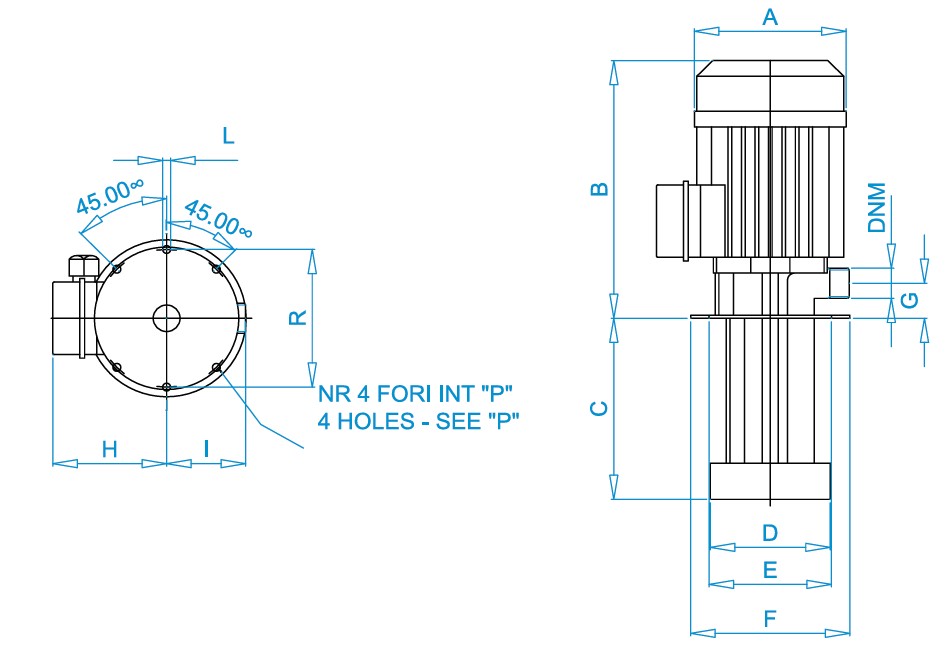
Schemat oraz wymiary Osip ZV 100:

Wymiary: DNM = M 3/4", A = 125, B = 213, C = 90-120-170-220-270-350, D = 99, E = 100, F = 130, G = 25, H = 91, I = 71, L = 6,5, P = 115, R = 114
Pliki do pobrania:
Dane techniczne
| Zasilanie | 400V |
| Wydajność w zakresie | 0-200 l/min |
| Wysokość podnoszenia w zakresie | 0-10 m |
