Pompa SAL 40 230V Umbra Pompe
Cena regularna:
Cena regularna:
towar niedostępny
dodaj do przechowalni
Opis
Pompa SAL 40 230V Umbra Pompe
SAL to seria małych elektropompek do chłodziwa włoskiego producenta Umbra Pompe. Model SAL 40 z tej serii nadaje się do pracy z wodą czystą, niezawierającą cząstek ściernych, oraz cieczy chemicznie nieagresywnych. Ze względu na swoją kompaktową budowę oraz niewielkie rozmiary SAL 40 wykorzystywane są w urządzeniach służących do podnoszenia ciśnienia oraz chłodzenia.
Pompa SAL 40 Umbra Pompe to mała pompa peryferalna, której konstrukcja pozwala na uzyskanie wysokiego ciśnienia nawet przy stosunkowo małym silniku. Wyróżnia się niezawodną pracą oraz wysokimi parametrami wydajnościowymi. Możliwość obracania części pompującej o 90°. Użyte materiały do jej wykonania (mosiądz, stal nierdzewna, EPDM) sprawiają, że pompa SAL 40 może być wykorzystywana do tłoczenia większości cieczy chłodzących. Zakres temperatury pracy od -20°C do +60°C. Pompa przystosowana jest do pracy ciągłej (ES 100%). Maksymalna liczba interwencji – 5/min lub 40/h.
Specyfikacja techniczna SAL 40 Umbra Pompe
- Wydajność Q max.: 8 l/min
- H max.: 40 m
- Zasilanie: 230V
- Klasa izolacji: F
- Stopień ochrony: IP 44
- Temperatura pracy.: od -20°C do +60°C
- Silnik dwubiegunowy indukcyjny
Wykonanie materiałowe pomp SAL 40 Umbra Pompe
- Obudowa – mosiądz
- Wirnik – mosiądz
- Płytka ścierająca – mosiądz
- Wał – stal nierdzewna INOX AISI 420 (x30 Cr 12)
- Uszczelnienie mechaniczne – PTFE – ALUMINA – EPDM (VITON na życzenie)
- Złącze węża z mosiądzu na życzenie
Wykres wydajności pomp SAL 40 Umbra Pompe
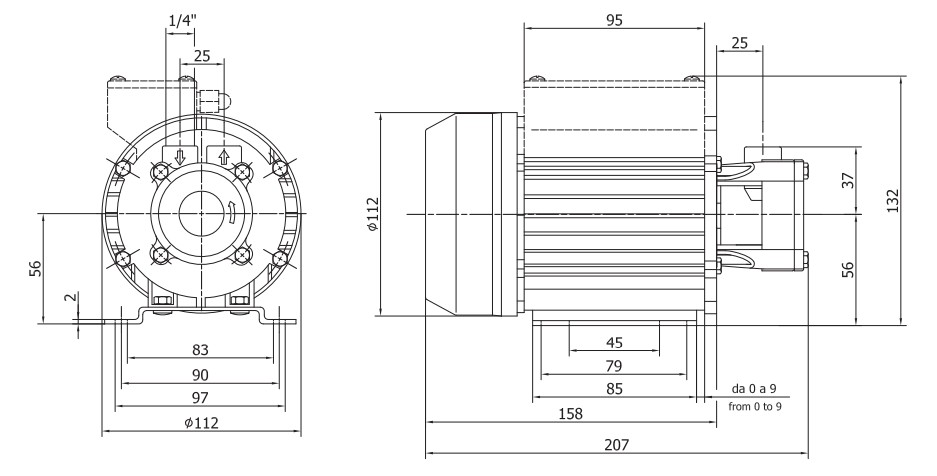
Wymiary pomp SAL 40 Umbra Pompe

Zastosowanie pomp SAL 40 Umbra Pompe
Małe pompy chłodziwa SAL 40 doskonale nadają się do instalacji w maszynach, gdzie konieczne jest podniesienie ciśnienia i/lub chłodzenia oraz wymagane są niewielkie wymiary pompy. Doskonałe do użytku przemysłowego, w trudno dostępnych miejscach.
Włoskie pompy SAL 40 Umbra Pompe nadają się do tłoczenia wody czystej, nieagresywnej chemicznie i niezawierającej cząstek ściernych. Odpowiednie do pompowania wody zdemineralizowanej o zawartości maksymalnie 30% glikolu. Jeżeli istnieje możliwość obecności agresywnych środków chemicznych w pompowanej cieczy, należy w pierwszej kolejności sprawdzić odporność chemiczną materiałów użytych do budowy pompy SAL 40.
Cechy konstrukcyjne pomp SAL 40 Umbra Pompe
Peryferalne pompy SAL 40 to urządzenia o bardzo dobrych parametrach wydajnościowych. Przystosowane do pracy ciągłej. Korpus oraz wirnik zostały wykonane z brązu, wał z wysokiej jakości stali nierdzewnej chromowej (x30 Cr 12) AISI 420. Uszczelnienie mechaniczne wykonane z PTFE - ALLUMINA – EPDM sprawia, że pompy SAL 40 są uniwersalne w swoim zastosowaniu do większości cieczy chłodzących. Na życzenie o-ringi mogą zostać wykonane z VITONU.
Pliki do pobrania:
Dane techniczne
| Wydajność w zakresie | 0-50 l/min |
| Wysokość podnoszenia w zakresie | 31-50 m |
| Zasilanie | 230V |
| Moc | 0,37 kW |
